1
/
of
9
Katool Automotive Equipment
Katool KT-4H150 Heavy Duty 4-Post Alignment Lift 15,000lbs. Rolling Jack Included
Katool KT-4H150 Heavy Duty 4-Post Alignment Lift 15,000lbs. Rolling Jack Included
Regular price
$5,499.00
Regular price
Sale price
$5,499.00
Unit price
/
per
Shipping calculated at checkout.
Couldn't load pickup availability
Katool KT-4H150 Four Post Alignment Vehicle Lift 15,000lbs
*Concrete thickness must be at least 3.93” (100 MM) with a 3000 PSI rating. Failure to install this lift on the proper concrete could result in serious injury or death! It is the customer’s responsibility to verify concrete thickness and strength before purchase and installation.
- 15000lbs lifting capacity.
- CE Approved and Certified. It has adopted the 115% dynamic loading capacity standard and was 150% static loading capacity tested.
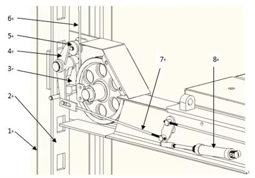
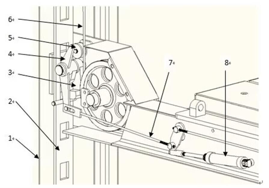
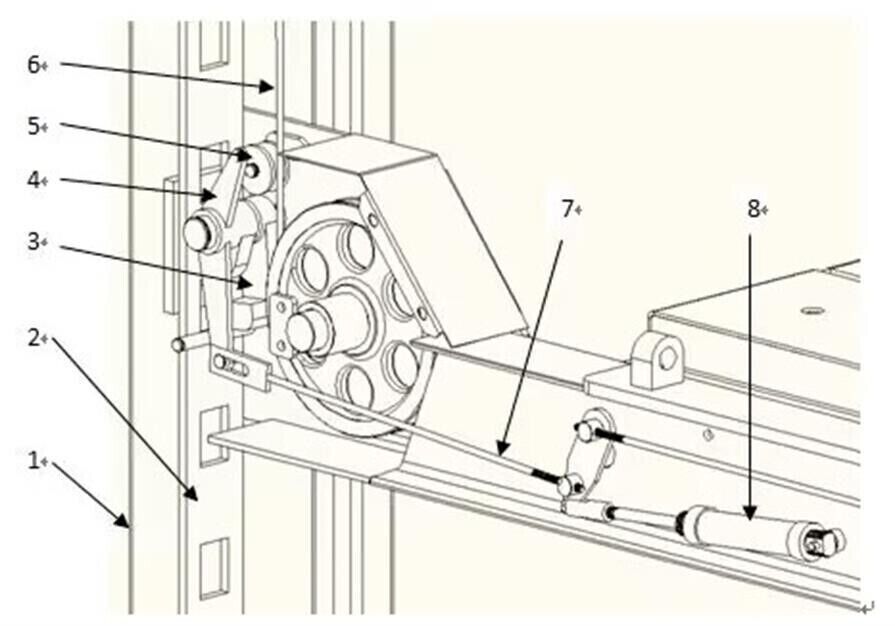
- Spring-loaded safety locks automatically engage continuously as the lift is raised. For added safety, a secondary lock system acts as a slack-cable device to engage in the unlikely event of cable failure.
- Equipped with multiple adjustable height locking positions for variable-height positioning. A convenient push-button pneumatic safety lock control releases all four independent safety locks simultaneously.
- Power side column can be installed at both sides, front or rear.
- Non-skid diamond texture ramps and non-slip coated runways.
- One 6000lbs rolling jack is included.
- High-quality hydraulic system, 3KW motor with 220V/60HZ/1PH or 110V/60HZ/1PH (Optional)
Lifting Capacity | 15000 lbs |
Max. Lifting Height | 75"/1905mm |
Lifting Time | 95s Up / 55s Down |
Height of Posts | 86"/2184mm |
Width Overall | 136"/3454mm |
Length Overall |
208"/5283mm |
Overall Length(with ramps) | 245"/6223mm |
Min. Runway Height |
9"/228mm |
Motor | 220VAC/4PH |
Net Weight | 4450lbs |








